Chicago Feeders/Spreaders

Equipment introduction

Chicago’s King Edge CT Series offers a patented cornerless two-target system that allows two operators to feed sheets at a very rapid rate using an ergonomically correct method. King series models are versatile performers for a wide variety of laundry applications processing large quantities of king, queen or standard size sheets and other large size items such as table linen for both hositality and healthcare. Additionally, the ability to quickly and easily switch to processing small pieces, if needed, throughout the day can be accomplished with the small piece bypass system. King Edge Vac features a newly designed streamlined vacuum laydown to offer outstading finished linen quality on higher thread count lined and other items.

Characteristics

ADVANCED CONTROL TECHNOLOGY
CHI•Touch PC based full color large 12” (307mm) touch screen control system for simple operation, clear display of management data, complete diagnostics and self-test functions.
Created by Chicago’s in-house design, mechanical and software experts who have consistently created innovative feeding, ironing, and folding technological solutions to keep these U.S. made products at the forefront of the industry.


CORNERLESS FEATURES
True cornerless spreader/feeder technology – no manual corner finding or clipping required.
Convenient and ergonomically correct loading height for operators.
Eliminates one or more FTE’s compared to clip or “one corner” feeders with increased finished Production Per Operator Hour.


KING EDGE FEATURES
Loading stations continual queing is paced for high production and operator consistency/pacing
Modified discharge angle and transition to better accommodate heavy items
Small piece bypass conveyor pneumatically raises into position to accommodate pillowcases, napkins, and other small pieces without moving the position of the feeder or its discharge conveyor. Bypass also assists with routine preventive maintenance program of the ironer by allowing a waxing cloth to be fed directly to the ironer.


ADVANCED VACUUM AND WRINKLE CONTROL FEATURES
Upgraded powerful dual blowers with baffled vacuum and airfoil create a flat and straight laydown of linen into the ironer.
Pneumatically applied linen support brackets help to firmly hold difficult large items, such as heavy 100% cotton or Fretté sheets and tablecloths.
Trailing smoothing brushes eliminate wrinkles before linen enters the ironer.

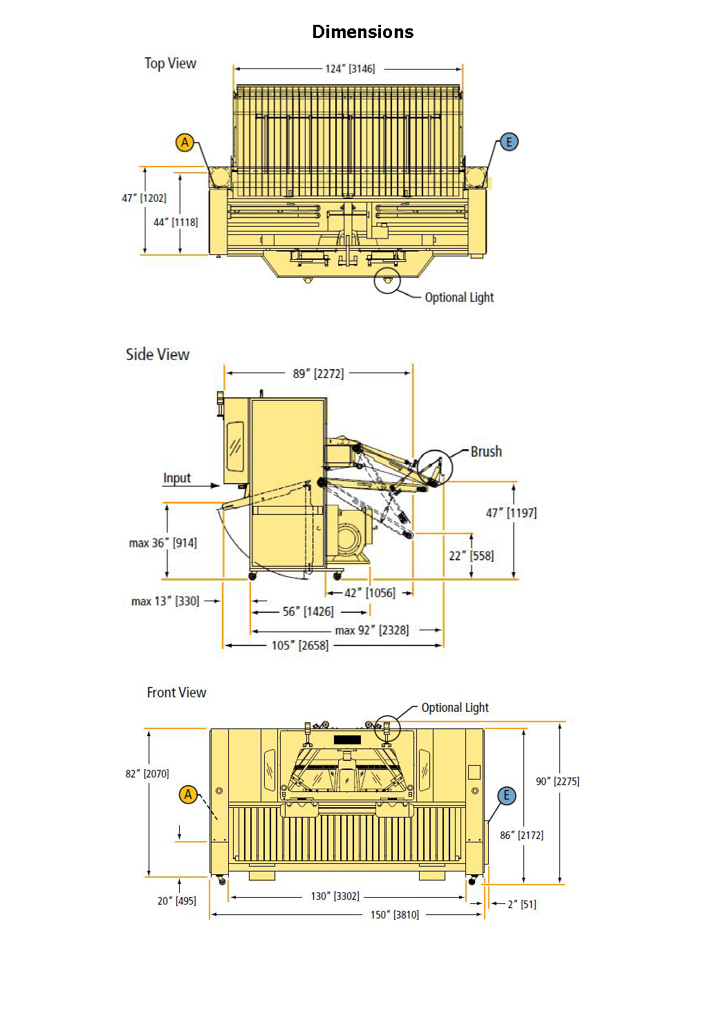
Parameter table
Remarks
Specifications and appearance subject to change without notice.