送/展布机系列

设备介绍

KING EDGE VAC CT是具有专利保护的双工位无需找角的送布系统,只需两名操作员利用正确的人类功效学快速送布。自动提升布草至较高的展布台,便于操作人员检查大布草,比如大床单的脏污或破损。无需找角送布系统不用等待移动工位返回即可送入下一件布草。小件布草通过内置旁通输送带输送,无需改变送布位置或输出输送带。对于较厚的棉质布草,新设计的流线型真空抽吸系统提供高质量的送布效果。

特点

先进的控制技术

便于操作,管理和错误诊断的彩色触屏控制系统。

由具有实际洗衣行业经验的设计师、机械工程师和软件专家研发。

显示屏语言可在中英文间自由切换。

无需找角特点 

真正的无需找角的展布/送布技术-无需手动寻找角位或用夹子夹住。

方便和符合人类工效学的送布高度,提高操作员效率。

相对于夹子式或“单角”送布机,每小时产量增加,能减少一个或多个员工。

'KING' 特点

在装入下一件布草时,送布工位无需等待上一布草夹头返回。

改进的卸载角度和传输模块能更好的接受较厚的布。

小件旁通输送带由启动提升至工作位置,进而输送枕套、餐巾和其他小件布草,无需移动送布机。

先进的真空和褶皱控制特点

升级的带挡板的升级的带挡板的真空系统和空气鼓吹,保证布草平直进入平烫机。

额外的压缩空气脉冲保证前缘平整。

气动布草支撑支架有助于抓牢大布草,如100%纯棉的厚床单和桌布。

展平毛刷在布草进入平烫机之前消除褶皱。

双鼓风机提供强大真空,确保布草前缘平整

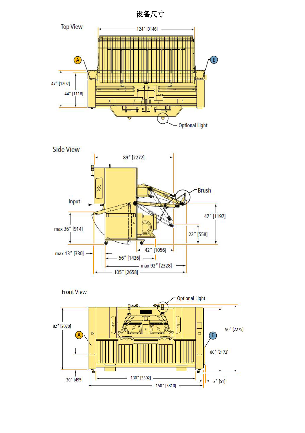
参数表格
备注
有关参数如有变化,恕不另行通知。